Dienstag, 16. Mai 2017
Dienstag, 16. Mai 2017
5. Teil - Das Achsdifferential
Im fünften Teil möchten wir uns das Achsdifferential für die Querverteilung genauer ansehen. Dieses wird aus mehreren Blöcken zusammengebaut. Da wir einen Allrad-Antriebstrang haben, gibt es dieses Differential sowohl an der Hinterachse als auch an der Vorderachse.
Das Achsdifferential ist als Kegelrad-Differential ausgeführt. Dabei wird über eine Kegel-Ritzel ein Tellerrad angetrieben, welches den Differentialkorb antreibt. In diesem Differentialkorb sind die 4 Planeten in Kreuzanordnung gelagert und können sich jeweils um ihre Achsen drehen. Im Normalfall werden also die 4 kegeligen Planeten im Blockumlauf im Planetenträger (in Kreuzform) in Drehung versetzt, das Drehmoment geben sie dabei an die beidseitig angeordneten Kegelräder ab. Jedes der Kegelräder ist fest mit einer der Abtriebswellen zum jeweiligen Rad führend verbunden und treibt dieses an.

Haben beide Räder ausreichend Straßenhaftung, so kann das gesamte Differential im Block umdrehen, was den Normalfall darstellt. Gibt es aufgrund der Straßenverhältnisse wie Nässe oder Eis unter einem Rad unterschiedliche übertragbare Radmomente, so wird das Rad mit weniger Widerstandmoment mehr Schlupf bekommen und sich damit unterschiedliche Drehzahlen zwischen rechtem und linkem Rad einstellen. Dann beginnt sich das Ausgleichsgetriebe, also die 4 Planeten zusätzlich um ihre eigene Achse zu drehen.
Da ein sogenanntes offenes Differential diesen 2. Drehfreiheitsgrad so gut wie ohne Widerstand zulässt, kann nur so viel Drehmoment vom Motor her auf die Straße übertragen werden, wie das Rad mit weniger Grip übertragen kann. Auf Eis kann die Haftung dann nahezu komplett verloren gehen und das Rad durchdrehen, der Vortrieb bricht komplett ein.
Um dieses zu vermeiden wird beim G-Modell eine Differentialsperre per Schalter aktiviert, welche die Ausgleichsbewegung unterbindet. Die Achse verhält sich damit wie eine starre Achse. Damit setzt sich das übertragbare Antriebsmoment als Summe der beiden Radmomente zusammen.
Wenn in diesem Zustand eine Kurve gefahren werden soll, dann kommt es aufgrund der unterschiedlichen Kurvenradien zu unterschiedlichen Drehzahlen der Räder. Ein gesperrtes Differential würde sich somit sehr stark verspannen und nur durch ein Durchrutschen der Reifen kann sich das Verspannmoment abbauen. Dieser Zustand belastet die Bauteile extrem, weshalb ein komplett gesperrtes Differential nur auf Untergrund mit schlechter Haftung wie auf Schnee, Eis oder im Gelände auf Geröll oder im Matsch betrieben werden darf. Auf der Straße sollte die Differentialsperre nicht aktiv sein.
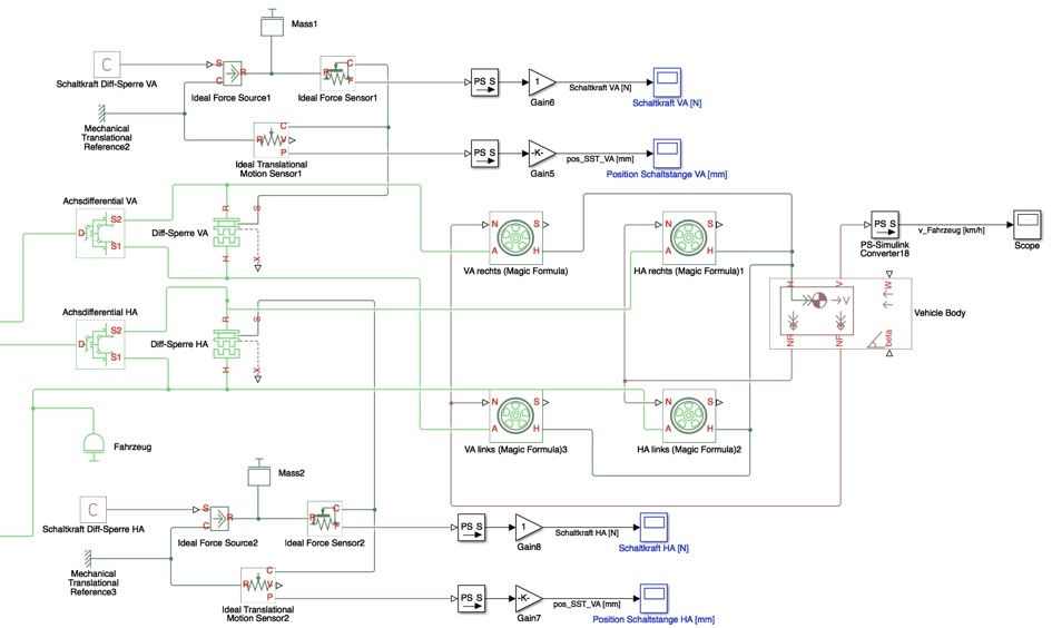
Im Simulink-Modell gibt es den „Differential“-Block, der über einen Eingang und 2 Ausgänge verfügt. Selbstverständlich kann jeder Eingang auch Ausgang sein. Als weiteren Block wird dann noch ein „Dog clutch“-Block eingefügt, also einer formschlüssig wirkenden Klauenschaltung. Diese wird über eine Schaltstange betätigt, also einem linear beweglichem Bauteil das eine axiale Kraftrichtung benötigt, um eine Bewegung auszuführen.
Dazu wird wieder ein „Ideal Force Source“-Block verwendet, der über einen „PS Constant“-Block am S-Anschluss eine Schaltkraft von 70N ausüben soll. Weiterhin wird ein „Mechanical Translational Reference“-Block als raumfesten Bezugssystem an den C-Anschluss geschaltet.

Weiterhin möchten wir jetzt beide Achsdifferentiale mit den jeweiligen Rädern verbinden. Damit auch die Momentenverteilung Vorderachse zu Hinterachse korrekt stattfindet, wird noch ein „Vehicle Body“-Block eingefügt. In diesem werden das Fahrzeuggewicht und die Schwerpunktsabstände eingetragen als auch die für die Fahrwiderstände relevanten Parameter wie cw-Wert und Stirnfläche.
Von den Ausgängen des VA-Differential wird ein Ausgang an das Rad links und einer an das Rad rechts verbunden. Die Räder werden über „Tire (Magic Formula)“-Blöcke simuliert. Diese haben 4 Anschlüsse. Der A-Anschluss wird mit dem Achsdifferential verbunden und erwartet eine drehende Welle. Über den hinterlegten dynamischen Radhalbmesser wird dann eine Wegstrecke auf der Straße ermittelt und über den H-Anschluss bereitgestellt. Deswegen verbinden wir diesen H-Ausgang des „Tire (Magic Formula)“ mit dem H-Eingang des „Vehicle Body“. Aufgrund der hinterlegten Fahrzeugdaten wird dann die Radaufstandkraft der beiden Achsen über die Anschlüsse NR (vertikale Normalkraft HA) und NF (vertikale Normalkraft VA) ermittelt und diese dann mit dem N-Eingang des „Tire (Magic Formula)“-Blocks verbunden. Hierbei wird dann der Radschlupf vereinfacht ermittelt und ein korrigierter Abrollweg an das Fahrzeug zurückgemeldet. Über die S-Ausgänge wären dann die Radschlupfe jeweils messbar.
